العربية
JCQ-3 (هـ)
جهاز مراقبة مانع الصواعق JCQ-3E متصل في سلسلة مع مانع الصواعق أدناه ، ويمكن استخدامه لتسجيل عدد المرات التي يحدث فيها مانع الصواعق ، ولكن أيضًا عن طريق جهاز قياس التيار المتردد لجهاز مراقبة التسرب عند جهد التشغيل.مانع الصواعق لـ 220KV وما دون الدرجة ، يتم توصيل الظروف البيئية للموقع مع نفس مانع الصواعق ، وهو غير مناسب للتلوث الخطير ومكان الصدمة الشديدة ؛ورقة صمام أكسيد الزنك ، تم تحسين الخصائص الكهربائية بشكل كبير.
1. مناسبة للداخلية أو في الهواء الطلق.
2 درجة حرارة البيئة (-40 ~ + 40
3.الارتفاع لا يتعدى 2000 م.
4. تردد الطاقة (48 ~ 62) هرتز.
5. لا يوجد مكان شديد الاهتزاز.
1. المبدأ الكهربائي
جهاز مراقبة مانع الصواعق مثل لوحة صمام أخذ العينات والسيليكون مقوم الجسر ، مكثف عالي الجهد ، عداد كهرومغناطيسي ، مكونات ملليمتر.إنه استخدام تيار التفريغ للمانع ، لوحة الصمام (المقاوم غير الخطي) الجهد المتولد عن مقوم جسر السيليكون ، الشحنة على المكثف ، التفريغ إلى العداد الكهرومغناطيسي ، كل سجل في وقت واحد ، لتحقيق سجل أوقات عمل مانع الصواعق.
2. هذا المنتج يستخدم غلاف غلاف الفولاذ المقاوم للصدأ عالي الجودة ، لديه حماية جيدة من التآكل.أداء الختم جيد ، لا يتأثر بالبيئة الخارجية.يحتوي العنصر الداخلي على خصائص جيدة لمكافحة الشيخوخة ، ويمكن تطبيقه على تشغيل نظام الطاقة.تستخدم شاشة مانعة الصواعق من النوع JCQ-3E شاشة عرض رقمية 2 بت ، الشاشة واضحة وسهلة المراقبة ؛يفضي إلى التردد على المدى القصير عن طريق مانع الصواعق سجل كامل.
| اِصطِلاحِيّ حدود | 8 / 20μs الحد الأعلى التشغيل حاضِر | 8 / 20μs الحد الأدنى التشغيل حاضِر | 2 مللي ثانية مستطيلي حاضِر | 4/10 μs دفعة | المتبقية الجهد في nominal تسريح حاضِر |
| JCQ-3E | 10KA | 50 أ | 1200 أ | 100 كيلو | أقل من 2.5 كيلو فولت |
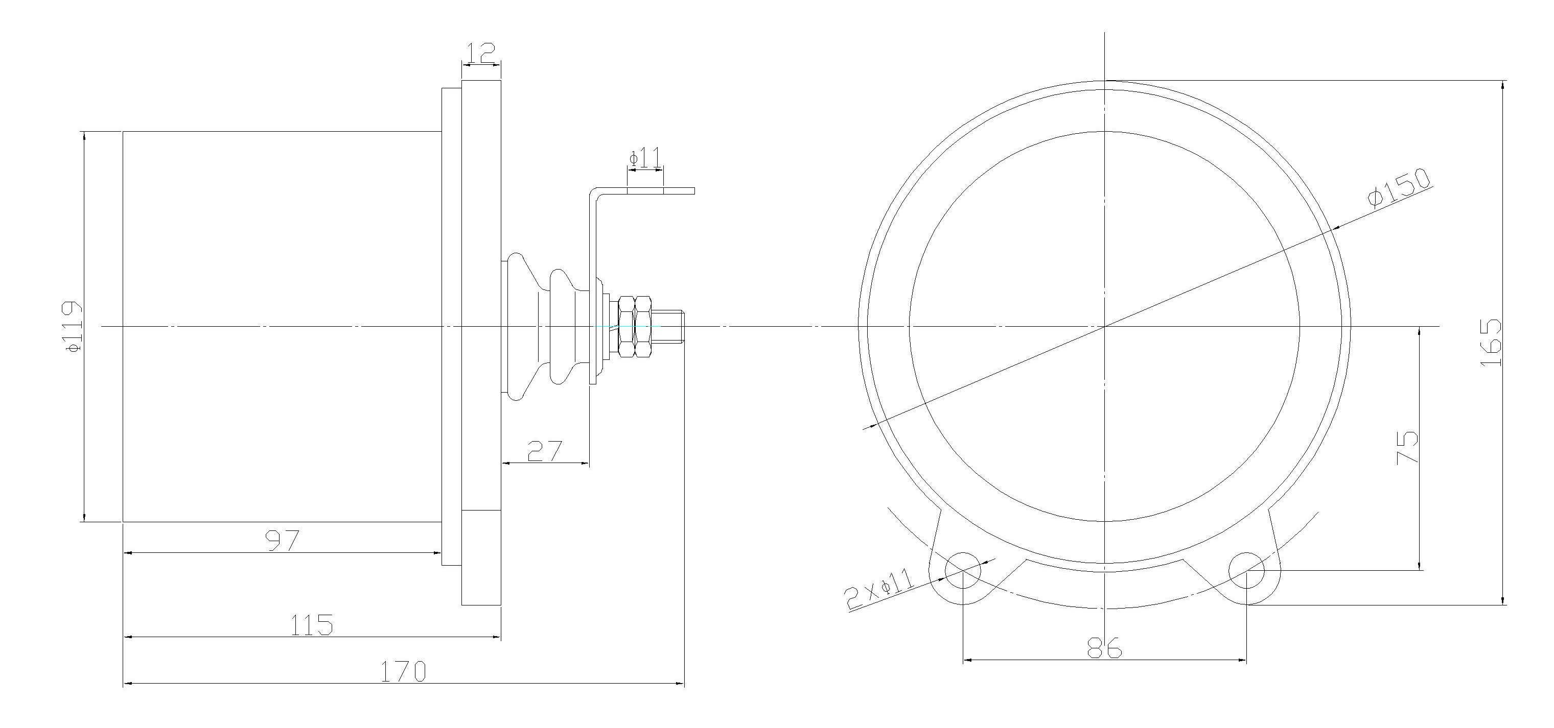
قم بتثبيت عداد بالرجوع إلى الشكل العام.يجب توصيل العداد في سلسلة بين الصواعق والأرض ، وبعبارة أخرى ، يتم توصيله بالتوازي مع الفلنجات الموجودة على طرفي الركيزة العازلة لمانع الصواعق.عندما تقوم بتثبيت عداد ، يجب أن تتخلص من الطلاء الموجود على سطحي فتحات التثبيت (Φ11) الموجود على حافة العداد أولاً للتأكد من توصيلهما جيدًا.ثم قم بإصلاح العداد بالقرب من قاعدة صواعق بواسطة مسمار M10x40 ، وهو مكان يسهل مشاهدته بشكل مستوٍ.كما أنها محطة مؤرضة.ثم قم بتوصيل نهاية سلك الرصاص HV بقضيب النقل الموجود على الحافة العلوية لقاعدة العزل لمانع الصواعق بواسطة مسمار Ml0x30.افحص العداد بعد الانتهاء من التركيب ويجب ألا يكون منحدرًا واضحًا.يجب ضبطه جيدًا بالرجوع إلى البند 4.2 ، إذا كان مؤشر العداد لا يشير إلى '0 '.ثم يمكن تشغيله.يجب ألا تفقد الجوز M10 المطلي باللون الأحمر وتلك البراغي الستة M6x20 على القاعدة لتجنب إتلاف الختم.يشار إلى البعد العام وموضع التثبيت للعداد فيما يلي.
4.1) يجب على المستخدم جعل ملف تجربة بقعة في عداد واحد قبل تشغيله وبعد تشغيله لمدة سنة أو سنتين.
4.2) طريقة بسيطة لاختبار خصائص التشغيل للعداد: أنت بحاجة إلى ميجغر واحد لـ 500 فولت ومكثف واحد لـ 600 فولت 10 درجة فهرنهايت.
إجراء الاختبار:
قم أولاً بشحن المكثف عن طريق تدوير المكثف.قم بقطع دائرة الشحن عندما يتم شحنها بثبات بشرط أن تحافظ على دوران الضخم.ثم اجعل المكثف المشحون جيدًا يقوم بتفريغ طرفي ملف العداد مرة واحدة ، لذلك يحسب العداد مرة واحدة.يجب أن تستمر في إجراء التجربة عشر مرات.يعد العداد جيدًا إذا كان يمكنه العمل بشكل طبيعي وموثوق في كل مرة.إذا لم يكن الأمر كذلك ، فمن الممكن ألا يعمل العداد أو أن حساسيته أقل ، يحتاج إلى فحص أو إصلاح.
4.3) إذا كان مؤشرها لا يشير إلى '0 ' ، يمكنك أيضًا اعتبار الرقم الأصلي على العداد هو الرقم الأساسي للعد ، ثم قم بإضافة إجمالي أوقات التشغيل لمانع الصواعق.
جهاز مراقبة مانع الصواعق JCQ-3E متصل في سلسلة مع مانع الصواعق أدناه ، ويمكن استخدامه لتسجيل عدد المرات التي يحدث فيها مانع الصواعق ، ولكن أيضًا عن طريق جهاز قياس التيار المتردد لجهاز مراقبة التسرب عند جهد التشغيل.مانع الصواعق لـ 220KV وما دون الدرجة ، يتم توصيل الظروف البيئية للموقع مع نفس مانع الصواعق ، وهو غير مناسب للتلوث الخطير ومكان الصدمة الشديدة ؛ورقة صمام أكسيد الزنك ، تم تحسين الخصائص الكهربائية بشكل كبير.
1. مناسبة للداخلية أو في الهواء الطلق.
2 درجة حرارة البيئة (-40 ~ + 40
3.الارتفاع لا يتعدى 2000 م.
4. تردد الطاقة (48 ~ 62) هرتز.
5. لا يوجد مكان شديد الاهتزاز.
1. المبدأ الكهربائي
جهاز مراقبة مانع الصواعق مثل لوحة صمام أخذ العينات والسيليكون مقوم الجسر ، مكثف عالي الجهد ، عداد كهرومغناطيسي ، مكونات ملليمتر.إنه استخدام تيار التفريغ للمانع ، لوحة الصمام (المقاوم غير الخطي) الجهد المتولد عن مقوم جسر السيليكون ، الشحنة على المكثف ، التفريغ إلى العداد الكهرومغناطيسي ، كل سجل في وقت واحد ، لتحقيق سجل أوقات عمل مانع الصواعق.
2. هذا المنتج يستخدم غلاف غلاف الفولاذ المقاوم للصدأ عالي الجودة ، لديه حماية جيدة من التآكل.أداء الختم جيد ، لا يتأثر بالبيئة الخارجية.يحتوي العنصر الداخلي على خصائص جيدة لمكافحة الشيخوخة ، ويمكن تطبيقه على تشغيل نظام الطاقة.تستخدم شاشة مانعة الصواعق من النوع JCQ-3E شاشة عرض رقمية 2 بت ، الشاشة واضحة وسهلة المراقبة ؛يفضي إلى التردد على المدى القصير عن طريق مانع الصواعق سجل كامل.
| اِصطِلاحِيّ حدود | 8 / 20μs الحد الأعلى التشغيل حاضِر | 8 / 20μs الحد الأدنى التشغيل حاضِر | 2 مللي ثانية مستطيلي حاضِر | 4/10 μs دفعة | المتبقية الجهد في nominal تسريح حاضِر |
| JCQ-3E | 10KA | 50 أ | 1200 أ | 100 كيلو | أقل من 2.5 كيلو فولت |
قم بتثبيت عداد بالرجوع إلى الشكل العام.يجب توصيل العداد في سلسلة بين الصواعق والأرض ، وبعبارة أخرى ، يتم توصيله بالتوازي مع الفلنجات الموجودة على طرفي الركيزة العازلة لمانع الصواعق.عندما تقوم بتثبيت عداد ، يجب أن تتخلص من الطلاء الموجود على سطحي فتحات التثبيت (Φ11) الموجود على حافة العداد أولاً للتأكد من توصيلهما جيدًا.ثم قم بإصلاح العداد بالقرب من قاعدة صواعق بواسطة مسمار M10x40 ، وهو مكان يسهل مشاهدته بشكل مستوٍ.كما أنها محطة مؤرضة.ثم قم بتوصيل نهاية سلك الرصاص HV بقضيب النقل الموجود على الحافة العلوية لقاعدة العزل لمانع الصواعق بواسطة مسمار Ml0x30.افحص العداد بعد الانتهاء من التركيب ويجب ألا يكون منحدرًا واضحًا.يجب ضبطه جيدًا بالرجوع إلى البند 4.2 ، إذا كان مؤشر العداد لا يشير إلى '0 '.ثم يمكن تشغيله.يجب ألا تفقد الجوز M10 المطلي باللون الأحمر وتلك البراغي الستة M6x20 على القاعدة لتجنب إتلاف الختم.يشار إلى البعد العام وموضع التثبيت للعداد فيما يلي.
4.1) يجب على المستخدم جعل ملف تجربة بقعة في عداد واحد قبل تشغيله وبعد تشغيله لمدة سنة أو سنتين.
4.2) طريقة بسيطة لاختبار خصائص التشغيل للعداد: أنت بحاجة إلى ميجغر واحد لـ 500 فولت ومكثف واحد لـ 600 فولت 10 درجة فهرنهايت.
إجراء الاختبار:
قم أولاً بشحن المكثف عن طريق تدوير المكثف.قم بقطع دائرة الشحن عندما يتم شحنها بثبات بشرط أن تحافظ على دوران الضخم.ثم اجعل المكثف المشحون جيدًا يقوم بتفريغ طرفي ملف العداد مرة واحدة ، لذلك يحسب العداد مرة واحدة.يجب أن تستمر في إجراء التجربة عشر مرات.يعد العداد جيدًا إذا كان يمكنه العمل بشكل طبيعي وموثوق في كل مرة.إذا لم يكن الأمر كذلك ، فمن الممكن ألا يعمل العداد أو أن حساسيته أقل ، يحتاج إلى فحص أو إصلاح.
4.3) إذا كان مؤشرها لا يشير إلى '0 ' ، يمكنك أيضًا اعتبار الرقم الأصلي على العداد هو الرقم الأساسي للعد ، ثم قم بإضافة إجمالي أوقات التشغيل لمانع الصواعق.
العوازل الخزفية، التي تتكون أساسًا من سيليكات الألومينا، هي مكونات مهمة في خطوط النقل والتوزيع العلوية. وتتعرض موثوقيتها على المدى الطويل للتحدي بسبب الضغوطات البيئية التي تؤدي إلى تدهور الأداء. تحلل هذه المقالة آليات الشيخوخة الأساسية للعوازل الخزفية، مع التركيز على الأشعة فوق البنفسجية وتراكم التلوث. ويستكشف أيضًا أحدث التطورات في تقنيات الطلاء الوظيفية المصممة للتخفيف من هذه التأثيرات، وبالتالي إطالة عمر الخدمة وضمان مرونة الشبكة.
لعقود من الزمن، ظلت المهمة الأساسية لمانع الصواعق ثابتة: حماية المعدات الكهربائية من الجهد الزائد العابر، سواء كان ذلك بسبب ضربات البرق أو عمليات التبديل، من خلال توفير مسار منخفض المقاومة إلى الأرض واستعادة التشغيل العادي للنظام بسرعة. إلا أن وسائل تحقيق هذه المهمة تشهد تحولاً جذرياً. مدفوعة بمتطلبات شبكات الطاقة الحديثة - زيادة التكامل المتجدد، والرقمنة، والحاجة إلى قدر أكبر من الموثوقية - تتحرك تكنولوجيا الحواجز إلى ما هو أبعد من دورها التقليدي السلبي إلى عصر المكونات الذكية والقابلة للتكيف والمرونة العالية.
تعتبر مفاتيح العزل، والمعروفة أيضًا بمفاتيح قطع الاتصال أو العوازل، مكونات أساسية في أنظمة الطاقة الكهربائية. وتتمثل وظيفتها الأساسية في توفير نقطة انقطاع مرئية للعزل، مما يضمن الصيانة الآمنة وإصلاح المعدات النهائية. على عكس قواطع الدائرة، فهي ليست مصممة لمقاطعة تيار الحمل أو تيار العطل. ومع ذلك، فإن تشغيلها الموثوق - أي الفتح والإغلاق عند الأمر - يعد أمرًا بالغ الأهمية لسلامة النظام ومرونته وتوافره.
تعد الصمامات، باعتبارها أجهزة حماية سلبية بالغة الأهمية ولكن غالبًا ما يتم تجاهلها، ضرورية للسلامة الكهربائية. يعتمد تشغيلها الموثوق على سلامة الأسطح العازلة والعنصر القابل للانصهار. تتعمق هذه المقالة في وضعين شائعين للفشل: وميض التلوث السطحي والشيخوخة/التدهور الداخلي. نحن نقدم تحليلًا فنيًا مفصلاً للآليات، ونحدد تقنيات التحديد المتقدمة والعملية، ونصف بروتوكول صيانة منهجي لتعزيز موثوقية النظام ومنع التوقف غير المتوقع.
يمثل التحول العالمي نحو الشبكات الذكية تحولا أساسيا في كيفية توليد الطاقة الكهربائية وتوزيعها واستهلاكها. تتميز الشبكات الذكية بتدفق الطاقة ثنائي الاتجاه، والتكامل العميق لموارد الطاقة الموزعة (DERs) مثل الطاقة الشمسية وطاقة الرياح، والبنية التحتية المتقدمة للقياس (AMI)، وتحليلات البيانات في الوقت الفعلي، وتتطلب جيلًا جديدًا من أجهزة الحماية. ومن بين هذه المنتجات، فإن المصهر المتواضع، وهو حجر الزاوية في الحماية الكهربائية لأكثر من قرن من الزمان، يخضع لتحول تكنولوجي عميق. يكمن مستقبل تكنولوجيا الصمامات في التطور من مكون وقائي بسيط ومضحي إلى أصول شبكية ذكية وقابلة للتكيف وغنية بالبيانات.
لعقود من الزمن، ظلت المهمة الأساسية لمانع الصواعق ثابتة: حماية المعدات الكهربائية من الجهد الزائد العابر، سواء كان ذلك بسبب ضربات البرق أو عمليات التبديل، من خلال توفير مسار منخفض المقاومة إلى الأرض واستعادة التشغيل العادي للنظام بسرعة. إلا أن وسائل تحقيق هذه المهمة تشهد تحولاً جذرياً. مدفوعة بمتطلبات شبكات الطاقة الحديثة - زيادة التكامل المتجدد، والرقمنة، والحاجة إلى قدر أكبر من الموثوقية - تتحرك تكنولوجيا الحواجز إلى ما هو أبعد من دورها التقليدي السلبي إلى عصر المكونات الذكية والقابلة للتكيف والمرونة العالية.
تعمل مانعات الصواعق في خطوط التوزيع (DLSAs) كأجهزة حماية مهمة مثبتة على أنظمة توزيع الطاقة العلوية، والتي تتراوح عادةً ما بين 1 كيلو فولت و38 كيلو فولت. وتتمثل مهمتها الأساسية في حماية المعدات الكهربائية والمحولات والبنية التحتية ضد الجهد الزائد العابر الناجم عن الصواعق وعمليات التبديل والاضطرابات الكهربائية الأخرى.
موسكو، روسيا - في الفترة من 2 إلى 4 ديسمبر 2025، شاركت شركة Zhejiang Haivo بنجاح في المعرض الدولي لمعدات الشبكة الكهربائية في روسيا، حيث قدمت أحدث ابتكاراتها في مجال الحماية الكهربائية وتكنولوجيا توزيع الطاقة.
تعتبر قواطع الصمامات المتسربة مكونات مهمة في أنظمة التوزيع العلوية، مما يوفر حماية وعزل للتيار الزائد. ومع ذلك، فإن التعرض لفترات طويلة للضغوط البيئية والكهربائية والميكانيكية يؤدي إلى الشيخوخة، مما يضر بالأداء والموثوقية. تتناول هذه المقالة آليات التقادم الأساسية وتحدد استراتيجيات الوقاية والصيانة الفعالة لإطالة عمر الخدمة وضمان سلامة النظام.
تمثل أنظمة التوصيل والمقابس عالية الجهد الخارجية (عادةً من 1 كيلو فولت إلى 52 كيلو فولت) حلولًا هندسية متطورة مصممة لتوصيلات طاقة آمنة وموثوقة في البيئات الصعبة. تتيح هذه الموصلات القابلة للفصل توزيعًا مرنًا للطاقة مع الحفاظ على سلامة النظام في شبكات المرافق والمنشآت الصناعية وتطبيقات الطاقة المتجددة. على عكس نظيراتها ذات الجهد المنخفض، تتطلب الموصلات ذات الجهد العالي اهتمامًا دقيقًا بالتحكم في المجال الكهربائي وتنسيق العزل وحماية البيئة.
بريد إلكتروني:jonsonchai@chinahaivo.com
54442019@qq.com
Wechat: +86 13587716869
Whatsapp: +86 13587716869
هاتف: 0086-577-62836929.
0086-577-62836926.
0086-13587716869.
0086-1595777201.